КартинкаГлавная
Форум
Аудиофильские электролитические конденсаторыКартинка
Тень

Аудиофильские электролитические конденсаторы

Поиск  Пользователи  Правила 
Закрыть
Логин:
Пароль:
Забыли свой пароль?
Регистрация
Войти
 
Страницы: 1
Ответить
RSS
Аудиофильские электролитические конденсаторы
 
Кластер электролитических конденсаторов “For Audio” типа Axx от Nippon Chemi-Con
 
Один из лидеров среди производителей электролитических конденсаторов, компания Nippon Chemi-Con (NCC) уже примерно 30 лет производит электролитические конденсаторы типа Axx специально “For Audio”. NCC это наверное самый уважаемый бренд в Японии и именно поэтому электролитические конденсаторы производства NCC наиболее часто встречаются в японской, да и не только японской, аппаратуре. Конечно, чтобы стать лидером надо много внимания уделять качеству продукции и ее ассортименту. Так что NCC не мог обойти вниманием такое важное направление в бытовой электронике, как звуковая аппаратура.
Особенности электролитических конденсаторов “For Audio” от NCC:
  • Выводы из бескислородной меди OFC. Примечание. Бескислородная медь применяется исключительно потому, что при нагревании (пайке) в ней не происходит разрывов сплошности и локального увеличения сопротивления.
  • Производство конденсаторов сосредоточено только на территории Японии.
  • К конденсаторам кластера применяются меры по снижению микрофонного эффекта, но в чем они заключаются не раскрывается.
  • Все конденсаторы кластера считаются “широкополосными” в звуковом диапазоне, т.е. предназначены для работы в полосе частот 20 Гц-20 кГц.
Где обычно применяются электролитические конденсаторы “For Audio”? Это чаще всего разделительные конденсаторы и фильтры в аналоговом звуковом тракте и кроссовере АС. Также замечено использование электролитических конденсаторов “For Audio” в цепях фильтрации питающих напряжений для питания аналоговых каскадов, начиная от конденсатора большой емкости в БП (обычно тут применяется специальный тип конденсаторов) и кончая блокирующими конденсаторами в каскадах звукового тракта.
Считается, что качество звука (здесь и в дальнейшем речь идет только о совокупном качестве звука, полученном с помощью аппаратуры, в которой применяются обсуждаемые конденсаторы) зависит в первую очередь от толщины фольги и диэлектрика в конденсаторе, типа чем толще, тем лучше. Таким образом конденсаторы, рулон которых намотан толстой фольгой, будут для звука самыми качественными, но и самыми громоздкими. На рубеже 80-х годов прошлого века практически все электролитические конденсаторы делались из толстой фольги, т.к. тонкой просто не было. Но уже появилась тенденция к миниатюризации, а значит и утоньшению фольги, поэтому компания NCC уже примерно в 1982 году выпустила первую серию электролитических конденсаторов для аудио в рамках серии AWA (чулок коричневый, цвет надписи белый). В середине 80-х серию AWA сменила новая серия AWD (чулок коричневый, цвет надписи белый), но к этому времени прогресс в создании тонкой фольги стал таким значительным, что вскоре NCC решила разделить серию конденсаторов для аудио на четыре класса по качеству, условно это очень высокий, высокий, средний и низкий. Соответственно они обозначаются второй буквой в названии серии:

  • очень высокий — X
  • высокий — W
  • средний — V
  • низкий — S
Такое деление по качеству, а по сути по толщине фольги, сохраняется до сих пор.
Старая серия AWD примерно в 1989 была преобразована в AWF, которая была дополнена серией конденсаторов супер качества типа AXF. Также были сделаны серии более миниатюрные, но расширенные, хотя и немного ниже качеством — это AVF и самая простая ASF.
Серии AWA и AWD очень редкие, т.е. это настоящий винтаж, который может интересовать только коллекционеров. Применение этих серий в новых разработках DIY не имеет смысла в виду давности их производства и весьма вероятной деградации качества.
С 2006 года вся продукция стала должна удовлетворять директиве ROHS, для чего пришлось обновить все 4 серии для аудио и три из них при этом поменяли названия. Надо понимать, что соответствие директиве ROHS вынужденное, означает в первую очередь отсутствие свинца и, как правило, всегда ухудшает качество компонентов.

Эволюция кластера электролитических конденсаторов типа Axx “For Audio”
Даты получены в результате изучения промышленной аппаратуры, где возможна привязка к датам, и поэтому достаточно условные.
Серия AXF. (чулок коричневый, цвет надписи золотой). Диапазон номиналов в серии AXF небольшой (1,0…100 мкФ) и небольшой диапазон рабочего напряжения (16-60 В), и они все относительно большого размера (просто огромные!), но зато обеспечивают высочайшее качество звука. В рамках серии AXF выпускаются неполярные конденсаторы обозначаемые буквами BP. Собственно, среди профессионалов считается, что серия AXF это самые лучшие электролитические конденсаторы для звука. Производитель позиционирует ее как «High-end», т.е. предназначенную для верхнего сегмента рынка. Серия конденсаторов AXF, как самая топовая в мире, выпускается неизменной с конца 80-х годов прошлого века, но обычно на заказ и в широкой продаже не присутствует. В основном серия AXF используется для аппаратуры самого верхнего ценового диапазона, а также в уникальных топовых разработках в качестве разделительных конденсаторов для аналоговых аудиосигналов или в пассивных кроссоверах в АС (Тут обычно применяются неполярные AXF BP).
Серия AXF весьма редкая, дорогая и габаритная, а обеспечиваемое ей высочайшее качество звука обычно трудно реализуемо в аппаратуре DIY, так что эта серия не рекомендуется для применения в самостоятельных разработках.
Примечание. Интересно было бы сравнить серию AXF с примерно аналогичной отечественной серией топовых конденсаторов для звука типа К50-15 (К50-15В). В конденсаторах типа К50-15 применяются самая толстая в нашей стране фольга. Диапазон номиналов К50-15 (2,2…680 мкФ) и диапазон рабочего напряжения (6,3-250 В) немного шире чем у AXF, но все конденсаторы в аксиальном исполнении и значит гораздо более стойкие к микрофонному эффекту.
Серия AWF. (чулок коричневый, цвет надписи золотой). Это превосходная серия конденсаторов, которые максимально соответствуют работе в звуковой полосе частот 20 Гц-20 кГц. В рамках серии AWF выпускаются и неполярные конденсаторы обозначаемые буквами BP. Производитель позиционирует серию AWF как «High grade», т.е. высококачественную. Применяется серия AWF там же, где и AXF, но она более компактна и диапазон номиналов гораздо шире, есть и сравнительно крупные (10…4700 мкФ), диапазон рабочего напряжения расширен вверх (16-100 В). За счет больших номиналов емкости серию AWF уже можно применять в качестве блокировочных конденсаторов в аналоговых аудиокаскадах и даже в маломощных БП. Новейшая серия AWJ (чулок коричневый, цвет надписи золотой) должна полностью заменить старую, но, увы, качество этой серии хотя и очень приличное, но немного не дотягивает до серии AWF.
Несмотря на труднодоступность и высокую цену серии AWF, она (как и серия AWJ) рекомендуется для применения в аппаратуре DIY, особенно в аналоговых аудио разработках с топовыми параметрами.
Серия AVF (чулок коричневый, цвет надписи золотой/белый). Серия уступает AWF хотя качество немного выше, чем у ASF. Эта серия немного более миниатюрная чем AWF. Производитель позиционирует ее как «Standard», т.е. стандартную. Диапазон номиналов еще более расширен (0,47…10000 мкФ), как и диапазон рабочего напряжения (6,3-100 В). Применяется серия AVF там же, где и AWF, но не обеспечивает столь же великолепного качества. В основном она применяется в аппаратуре среднего ценового диапазона. Новейшая серия AVH (чулок коричневый, цвет надписи золотой/белый) тоже оказалась немного слабее своего родителя — серии AVF.
Серии AVF и AVH весьма подходят для применения в самостоятельных аналоговых аудио разработках.
Серия ASF. (чулок коричневый, цвет надписи золотой или чулок синий, цвет надписи белый). Это продукт самого низкого класса среди всех конденсаторов “For Audio” кластера Axх. Производитель позиционирует ее как «Compact» — компактную, т.е. ее отличительной особенностью является небольшой размер. Диапазон номиналов (0,47…15000 мкФ), как и диапазон рабочего напряжения (6,3-100 В) примерно аналогичны серии AVF. Диапазон применения абсолютно такой же, как и у серии AVF. Качество звука относительно невелико, поэтому конденсаторы серии ASF распространены в аппаратуре среднего и бюджетного диапазона. На базе этой серии выпускается несколько заказных брендированных серий, например, очень растиражированная серия ASV (чулок коричневый, цвет надписи белый) для компании Sony. Размеры ASV еще немного уменьшены относительно родительской серии ASF, качество тоже пожиже. Новейшая серия ASG (чулок коричневый, цвет надписи золотой или чулок синий, цвет надписи белый) по качеству примерно такая же, как ASF.
Серии ASF, ASG и ASV неплохо подходят для применения в самостоятельных аналоговых аудио разработках.
 
Судя по здоровой реакции, статью об электролитах NCC “For Audio” люди почитывают. И наверное тут  нужно упомянуть, что значительная часть информации взята из аудиофильских источников, в основном японских и китайских. Я практически просто перевел моменты касающиеся градаций качества разных серий конденсаторов, отбросив только излишне эмоциональные описания "звучания". Поэтому получился совершенно безапелляционный тон, который может создать впечатление, что это именно я так думаю. Вовсе нет.  Так думают аудиофилы с востока и маркетологи из NCC, у которых я также подчерпнул часть информации. Но статья написана о конденсаторах для аудио, т.е. важна в первую очередь для аудиофилов, а, как говорится: "с волками жить — по волчьи выть", поэтому я считаю логичным подавать информацию в аудиофилитическом ключе, тем более, что по этим конденсаторам никакой другой информации не нашлось. Мне показалось, что это будет забавно, я и далее собираюсь продолжать в том же духе. Но что касается истории развития кластера, то это уже достаточно серьезно и к аудиофилии не относится. Даташиты на некоторые серии кластера в открытом доступе отсутствуют, часто только на японском языке и весьма труднодоступны. Да и ничего в этих даташитах особого нет, никаких уникальных параметров, вполне себе заурядные конденсаторы. Как, впрочем, и все другие конденсаторы "для аудио". Это вовсе не значит, что конденсаторы не оказывают влияния на звучание. Оказывают и иногда драматическим образом. Но их вклад в "звучание" очень трудно выделить и все приведенные в статье характеристики получаются опосредствованно, а следовательно должны быть сильно субъективны. На мой взгляд задача инженера не быть тенденциозным и не выступать от имени чистой науки, к которой большинство не имеет никакого отношения, а стараться правильно использовать любую информацию о компонентах, особенно если она хоть как-то структурирована. Для таких людей я и пишу.
 
Легендарные электролитические конденсаторы Black Gate ® Rubycon
(Black Gate® пишется и раздельно, и вместе BlackGate®, потому как это зарегистрированные в таком виде торговые марки.)

Именно материалом по очень популярным в аудиофильской среде конденсаторам Black Gate® Rubycon я когда-то и хотел начать тему «Аудиофильские электролитические конденсаторы», но сразу не получилось. Информации в Интернете вроде много, а с первоисточниками плохо, почти нет. В сети циркулирует единственный листок типа коллективный «даташит» без указания производителя и с минимумом информации, но, к сожалению, в виде картинки весьма низкого разрешения, на которой основной текст читается очень плохо, а более мелкие примечания вообще не читаются. Приводить такой материал я считаю невозможным — это будет халтура. Вот и пришлось подождать несколько лет до развития нейросетей, с помощью которых удалось «починить» картинку и прочитать всю текстовую информацию. А затем стало возможным поправить этот коллективный «даташит» до читабельного состояния:

Как можно заметить, материал не очень информативный; дается немного информации по особенностям применения каждой серии и табличка с номенклатурой, в которой нет никаких параметров, кроме размеров. Этому есть объяснение. Начать с того, что разработчиком всей серии Black Gate является вовсе не Rubycon, а гораздо менее известная небольшая японская компания Jelmax Co. Ltd. (Shinbashi, JP) не имеющая своих производственных мощностей. Rubycon являлся только производителем, выпускавшим конденсаторы по заказу Jelmax, причем Rubycon не единственный производитель, были таковые и до него, но Rubycon стал основным (и последним) производителем Black Gate с 1988 года и по 2006 год. Поэтому Rubycon не указывал конденсаторы Black Gate в своих каталогах и не выпускал открытых даташитов, лишь потому, что все права на серию Black Gate принадлежали Jelmax (на обложке каталога Rubycon 1991 года есть фото кучки конденсаторов, где присутствует и Black Gate, но внутри про него ни слова).
Компания Jelmax не будучи производителем, не придавала особого значения такому важному сопровождающему сложный товар документу, как даташит, и пыталась продвигать свою продукцию несколько другими методами, как-то: реклама в профильных журналах, участие в выставках и нерегулярный выпуск собственных информационных материалов под названием «Jelmax Technical Reports».
Тут надо сказать, что само явление «даташит» в электронике сформировалось примерно к 60-м годам прошлого столетия и содержимое даташита никогда не нормировалось, а возникло стихийно, по мере осознания необходимости подачи того или иного материала. Сначала даташиты появились на более сложную продукцию, типа микросхем и полупроводников, а потом постепенно распространились и на другие продукты. Jelmax запатентовала Black Gate в 1978 году, в эпоху, когда даташиты на пассив выпускали только несколько очень крупных производителей типа Phillips, а большинство более мелких отделывалось скромными табличками с перечнем номенклатуры. Так что, уверен, что даташиты на Black Gate можно даже не искать и наличие хоть такого листка уже большая удача.
Виды Black Gate
Так уж исторически сложилось, что основное применение конденсаторы Black Gate нашли в аудио. Вот наиболее приближенная к аудиореалиям таблица назначений.
Таблица 1. Назначение серий Black Gate


В качестве комментария можно отметить, что стандартные серии Black Gate на сегодня морально устарели даже для аудиоперфекционистов. Тоже самое можно сказать и о сериях C, K и FK, хотя и с меньшей уверенностью, несмотря на то, что график 30-и летней давности на Рис. 1 выглядит победительно, но прогресс не стоит на месте и, если за это время параметры конденсаторов Black Gate не изменились, то этого нельзя сказать о конденсаторах остальных производителей.

Рис. 1. Зависимость ESR от частоты для конденсаторов 2200 мкФ ´ 63 В различных производителей
Таблица 2. Сравнительные спецификации конденсаторов


Все перечисленные в таблице 2 типы конденсаторов уже давным-давно стали винтажными и я привожу эту таблицу здесь только для иллюстрации неактуальности данного сравнения на сегодняшний день.
Голубая серия АС по-прежнему занимает твердую позицию в пассивных кроссоверах акустических систем и востребована по сей день.
Серия NH предназначена для импульсных ИП, как их представляли себе 40 лет назад в Японии, т.е. под напряжение сети 100 В. Как минимум морально устарела.
Серии WKZ и, отчасти, WK заточены в основном под ламповые усилители и в этой области остаются весьма актуальны и востребованы.
Самые интересными на сегодня с инженерной точки зрения представляются неполярные красная (N и NX) и сапфировая (NX) серии, а также производные от них Super E-Cap. В основном потому, что позволяют создавать весьма актуальные на сегодня ультрамалошумящие ИП, применяемые в частности для создания опорного напряжения и формирования выходных напряжений ЦАП.
Уникальные особенности Black Gate
Black Gate имеют уникальную особенность – процесс формовки или активации (иногда еще называемый «холостым ходом»). Это единственные электролитические конденсаторы, которые обладают подобным свойством, что сразу же ставит их особняком от прочих. Стадия формовки оказалась необходимой для завершения запатентованного структурного разделения зон на пути передачи электронов. Формовка небыстрый электрохимический процесс, ее минимальная гарантированная длительность составляет 30 часов. Формовка происходит при первом включении аппаратуры, в которой установлены Black Gate. После подачи рабочих токов свойства Black Gate непрерывно меняются и процесс выходит на плато через 30 часов. Строго говоря длительность процесса зависит от силы протекающего тока и при малых токах может длиться гораздо более 30 часов. Если говорить о звуке, то при первом включении Black Gate ведут себя как обычные электролиты, затем звук постепенно меняется, это заметно, но описать происходящие изменения трудновато именно вследствие их текучести. Именно эта особенность в свое время надолго отвратила меня от конденсаторов Black Gate .
Печальный опыт
Где-то в первой половине 90-х на случайные свободные деньги я приобрел «настоящий» японский усилитель Yamaha AX-392 (они тогда продавались во всех магазинах). Сказать, что я был разочарован, это ничего не сказать. Это был самый отвратительный усилитель из тех, что я имел когда-либо (кроме, пожалуй, следующего «покупного» усилителя Arcam, номер которого память милосердно не сохранила). На слух гораздо хуже моего старого самодельного, сделанного по схеме из журнала Радио. Но я никак не мог смириться с тем простым фактом, что «фирменный» усилитель культовой фирмы Yamaha просто портит звук. И вот через небольшой период времени один из знакомых энтузиастов-аудиофилитиков посоветовал мне заменить электролиты в БП AX-392 на «волшебные» конденсаторы Black Gate (я тогда первый раз о них услышал). В БП AX-392 стояла пара заказных то ли 4700х56, то ли 6800х56 (точно уже не помню) от солидной фирмы Nippon Chemi-Con. Знакомый предлагал заменить их на черные Black Gate 2200х63 из серии с утраченным названием, уверяя меня, что Black Gate на 2200 мкФ соответствует примерно 10000 мкФ обычного электролита. Он же готов был предоставить и сами конденсаторы «по дешевке» примерно в четверть цены самого усилителя. Я, естественно, отказался, но где-то через месяц этот приятель зашел ко мне поздно вечером сильно подшофе и предложил купить 4 конденсатора Black Gate 2200х63 по 10 долларов каждый, типа «даром». Я почему-то сдался и эти конденсаторы приобрел, но, после небольшого торга, всего за 25 долларов. Правда, до модернизации усилителя дело дошло не сразу, а только где-то через год. Сначала я особой разницы не почувствовал, но, памятуя про формовку, не выключал усилитель несколько дней, каждый вечер пытаясь уловить разницу в звучании. И действительно уловил, дня через два слушать стало интереснее, только звучание все время неуловимо менялось, что было легко заметить, прослушивая один и тот же трек несколько раз в течение часа. Может мои конденсаторы были не новые и слега «испортились» при хранении, но процесс формовки никак не хотел заканчиваться, и я все время слышал какие-то изменения в звуке, хотя в общем звук стал заметно лучше. Эффект еще более усиливался при повторном включении усилителя после паузы в несколько дней. Короче, скоро мне это надоело, и я легко и без сожаления расстался с модернизированной Ямахой AX-392, а попутно на четверть века потерял всякий интерес к конденсаторам Black Gate.
О грейдах Black Gate
Конденсаторы Black Gate не обделены дополнительными надписями на корпусе, которые встречаются на большей части номенклатуры Black Gate .
Рис. 2. Внешний вид различных конденсаторов Black Gate
Некоторые явно поясняющие и не вызывают никаких вопросов, например, «NONPOLAR» или «NP», да и, очевидно, что такие надписи не могут считаться обозначением грейда. Но вот надписи типа «ELECTRON TRANSFER», «AUDIO use» или «Heart of Muse» очень похожи на грейд. Для того, чтобы являться грейдом, должны существовать конденсаторы этой же серии, но без этой надписи. Увы, но таковых не замечено. Значит указанные надписи не грейд, а его имитация. Просто маркетинговый прием.
Конструктивные отличия Black Gate
Наверное, прежде чем рассуждать о конструктивных отличиях различных серий Black Gate друг от друга, надо кратко рассказать об отличии конденсаторов Black Gate от «обычных» электролитов. Интернет изобилует материалами по конструкции Black Gate и нет особого смысла повторять их здесь еще раз (ссылка). Уже из названия Black Gate (Черные ворота) понятно, что все они содержат в составе сепаратора черный углеродный микропорошок. Эта, казалось бы, незначительная особенность и обуславливает революционное улучшение параметров. В остальном конструкция Black Gate абсолютно тривиальна — две обкладки из алюминиевой фольги свернутые в рулон. Одна (или обе) из обкладок предварительно оксидирована. Обкладки разделяет сепаратор из манильской бумаги пропитанной электролитом и содержащий в себе порошок углерода. Манильская бумага сделана из манильской же конопли и характеризуется очень длинными волокнами. На вид она похожа скорее на вату, чем на бумагу. Довольно сложная и недешевая технология наполнения манильской бумаги порошком углерода, разработанная Jelmax, является узким местом всего процесса изготовления Black Gate и, в конечном итоге, основной причиной прекращения производства.
Главный вопрос сразу возникающий при просмотре «листка»: чем же таким существенным отличаются друг от друга различные серии Black Gate? Указанная в листке специализация серий по идее должна обуславливаться конструктивными отличиями. Увы, прямых указаний на это не дается. Кое-какие подробности удалось подчерпнуть из патентов Jelmax. Выяснилось, что «черные» серии Black Gate в основном различаются вариациями состава электролита, некоторыми конструктивными особенностями и содержанием углеродного микропорошка в сепараторе (от 0,5 до 7% от веса сепаратора), но конкретные значения по сериям нигде не указываются.
Отдельно стоят неполярные красная и сапфировая серии. Конденсаторы этих серий помимо углеродного микропорошка содержат еще микропорошок из металлов платиновой группы; платины, палладия и их сплавов (от 0,1 до 1% от веса сепаратора, т.е. ничтожное количество). Единственный тип конденсаторов Black Gate для которого известно точное содержание микропорошков — это красная серия N, сепаратор которой содержит 4% микрочастиц графита и 0,4% палладия в расчете на массу сепаратора.
С большой долей вероятности можно предположить, что наличие в составе неполярных серий Black Gate драгметаллов наверняка было еще одной причиной снятия этих серий с производства.
Весьма важными для потребителя являются различия в сериях Black Gate, связанные с напряжением формирования катодного электрода, что с точки зрения внутренней структуры определяется толщиной слоя оксида на катодном электроде. На Рис. 3 показаны два крайних случая.
Рис. 3а. Полярный Black Gate
 
Рис. 3б. Неполярный Black Gate
Таблица 3. Напряжения формирования катодного электрода для всех продуктов Black Gate


Величина напряжения формирования оксидной пленки катодного электрода Black Gate может быть выбрана достаточно произвольно, в отличии от напряжения формирования анодного электрода, жестко задаваемого величиной рабочего напряжения конденсатора.
Тут надо напомнить, что оксидная пленка формируется на стадии изготовления и напряжение формирования оксидной пленки анодного электрода всегда должно быть выше на 20...100% предполагаемого номинального положительного напряжения полярного конденсатора, при этом предполагается, что отрицательное напряжение к этому конденсатору не прикладывается. Это справедливо и для первой строки таблицы 2 (серии Standard, PK, C), а уже во второй строке видно, что серии FK, VK, K могут выдержать небольшое отрицательное напряжение, например, работая в качестве разделительных конденсаторов. В дальнейших строках видно, что все серии WK и WKZ являются «частично» неполярными, т.е. могут выдерживать достаточно высокое отрицательное напряжение (ниже номинального), а серия WKZ 500V, конкретно заточена для работы в составе лампового усилителя. Неполярные серии здесь в комментариях не нуждаются.
Неполярные Black Gate
Сегодня неполярные электролитические конденсаторы в основном применяются в пассивных кроссоверах АС, т.е. являются достаточно узкоспециализированными компонентами. Усилиями фирмы Jelmax неполярные конденсаторы Black Gate должны были стать конденсаторами воистину универсального применения, предполагая занять часть ниши пленочных конденсаторов. Основанием для этого были сравнимые с пленкой параметры при гораздо меньших габаритах, а значит и стоимости. Жаль, что эти планы не были полностью реализованы, но так случилось в основном не из-за технических просчетов, а неправильной торговой политики. И именно недооценка и непонимание важности политики стало неодолимой стеной на пути всех замечательных планов Jelmax, но обсуждать этот вопрос мы тут не будем, т.к. это уведет нас слишком далеко в сторону.
04_2.png (260.24 КБ)
04_1.png (260.81 КБ)
 
Предыстория создания неполярных Black Gate
Обычный электролитический конденсатор содержит пару электродов из фольги, оксидный слой, нанесенный на поверхность по меньшей мере одного из фольговых электродов, ионопроницаемый сепаратор, разделяющий пару электродов и жидкий электролит в качестве пропитки сепаратора. Электроды с сепаратором свернуты в рулон и заключены в металлическом корпусе с газопроницаемым уплотнительным элементом, и парой выводов, выходящих из контейнера наружу через уплотнительный элемент.
В качестве жидкого электролита использовались растворы некоторых кислот в этиленгликоле или диметилформамиде и некоторые другие вещества. Такие электролиты обладают свойством ионной проводимости главным образом с помощью иона гидроксила (ОН). Когда через конденсатор протекает переменный электрический ток и движущиеся под действием разности потенциалов достаточно крупные ионы ОН в своем движении упираются в волокна сепаратора или электроды, т.е. останавливаются, то электрическое поле разрывает стоячие ионы, говоря иначе они подвергаются распаду посредством электролиза, образуя кислород и водород. Образующийся при этом кислород обычно поглощается электродами, укрепляя оксидный слой. Однако образующийся газообразный водород накапливается в корпусе, что приводит к повышению внутреннего давления. Водород вырабатывается пропорционально электрическому току, температуре и времени и постепенно вытекает из корпуса через газопроницаемое уплотнение. Расход электролита пропорционален расходу водорода. Срок службы конденсатора заканчивается, когда заканчивается электролит.
При работе конденсатора через него протекает переменный электрический ток. Ионы движутся в соответствии с силой электрического тока и часть из них из-за помех в движении, непрерывно генерирует микропузырьки газообразного водорода по описанному выше механизму. Пузырьки прилипают к волокнам сепаратора и электродам, тем самым становясь еще одним препятствием помимо волокон сепаратора на пути ионного тока и тем самым сильнее блокируют его прохождение. Это явление заметно даже при низких напряжениях в десятые доли вольта и вызывает снижение эффективности ионной проводимости. Это означает, что внутренний импеданс значительно увеличивается из-за микропузырьков газообразного водорода, генерируемого пропорционально электрическому току и температуре. Соответственно при больших токах, например, при использовании конденсатора в силовых цепях, импеданс может увеличиваться более чем в десять раз по сравнению с измеренным на малых токах паспортным значением, (т.е. указанным в даташите).
На момент разработки неполярных конденсаторов Black Gate (примерно конец 80-х годов) не существовало эффективного решения упомянутой выше проблемы. Все усилия были направлены на создание электролита, который связывал бы газообразный водород химически, но конденсатор с таким электролитом получался с гораздо худшими электрическими или температурными характеристиками. Да и сегодня проблема полностью не решена, хотя на пути ее решения достигнуты значительные успехи.
Суть предложенного Jelmax решения реализованного в конденсаторах Black Gate неполярных серий в добавлении в сепаратор кроме микрочастиц углерода еще и микрочастиц металла платиновой группы, чаще всего палладия, которые призваны каталитически восстанавливать водород опять до гидроксила. Такой добавки нужно совсем немного от 0,1 до 1% (масс) в расчете на массу сепаратора. При этом значительно подавляется и уменьшается генерация мелких пузырьков газа, которые снижают эффективность ионной проводимости.
Преимущества неполярных Black Gate
  • Рабочий диапазон частот до 10 ГГц (в 100000 раз выше чем у обычного электролита)
  • Импеданс/ESR (снижены в 10 раз по сравнению с обычным электролитом)
  • Уровень шума -174 дБ (в 1000 раз ниже чем у обычного электролита, мировой рекорд). Устранена главная проблема присущая всем электролитическим конденсаторам — сильный шум, обусловленный ионным характером тока и особенностями его протекания в приборе.
  • Главным преимуществом является то, что параметры неполярных серий Black Gate, сравнимы с параметрами пленочных конденсаторов, но при этом неполярные Black Gate имеют в несколько раз меньшие габариты при одной и той же емкости. Это означает, что если, например, применить неполярный конденсатор Black Gate емкостью 1000 мкФ в выходном фильтре ИП, то это будет эквивалентно применению пленочного конденсатора такой же емкости. Надо понимать, что пленочный конденсатор на 1000 мкФ будет размером с чайник и очень дорогим, а неполярный Black Gate обычного для электролитов компактного размера и до прекращения производства имел приемлемую стоимость.
  • В своих патентах Jelmax проводит сравнение по току утечки для обычного электролитического конденсатора емкостью 220 мкФ, и аналогичных полярного Black Gate и неполярного Black Gate серии N, где показывает, что полярный Black Gate имеет на треть меньший ток утечки, а неполярный — вдвое. Такая разница не кажется значимым преимуществом, хотя и не будет лишней.
  • В другом сравнении Jelmax заменил электролитические конденсаторы 2200 мкФ ´ 10 В в выходном фильтре импульсного источника питания (частота 100 кГц, входное напряжение 100 В (AC), выходное напряжение 5 В, максимальный ток 5 А, ток нагрузки 1 А, амплитуда пульсаций на выходе 38 мВ) на неполярные конденсаторы Black Gate N 470 мкФ ´ 16 В. При этом амплитуда пульсаций на выходе снизилась с 38 до 4,8 мВ, т.е. почти в 8 раз, несмотря на то, что и емкость была уменьшена в четыре с половиной раза. Импульсные источники питания такого типа широко используются в устройствах обработки информации, таких как компьютер. Надо сказать, что пульсации на выходе в 38 мВ это уже очень неплохой результат для компьютерного ИП. Обычно эта величина находится в районе 75…150 мВ. Так что снижение пульсаций до 4,8 мВ это выдающийся результат.
  • В патентах показано и увеличение ресурса неполярных электролитических конденсаторов Black Gate по сравнению с обычными. Ресурс увеличился ровно в 10 раз, доходя до 20000 часов. Это без сомнения очень важное преимущество.
  • Очень важным для аудиофилов является сравнение по уровню создаваемых конденсатором гармоник. Тут у Black Gate тоже все хорошо. См. график на Рис. 4.

Рис. 4. Иллюстрация зависимости между приложенным напряжением и третьей гармоникой искажений, обусловленных электролитическими конденсаторами
А — обычный конденсатор
В — Black Gate
С — Black Gate N
Когда конденсаторы В и С использовались в УНЧ было обнаружено заметное улучшение качества звука. При использовании в проигрывателе компакт-дисков было замечено значительное снижение джиттера выходных цифровых сигналов.
Справочные данные неполярных Black Gate
Ниже приводится синтетический даташит на неполярные серии Black Gate N/X/NX. В нем собрана вся доступная на сегодня информация по этим сериям:

Подавление резонансной частоты с использованием пары Black Gate-N
Jelmax разработала новую систему, в которой используется пара из двух BG-N с одинаковым напряжением и емкостью таким образом, что их внутренние индуктивности (L) компенсируют друг друга, что позволяет паре функционировать как единый идеальный конденсатор, называемый Super E-Caps.

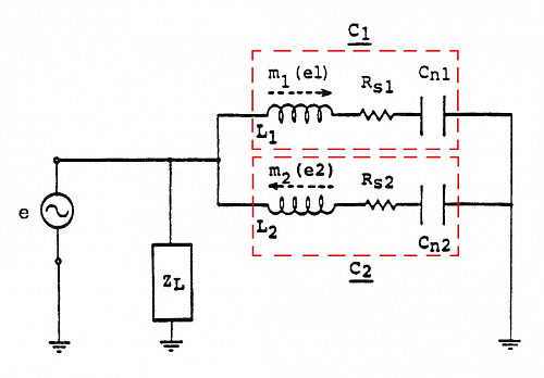
Рис. 5 Эквивалентная схема выходного фильтра стандартного ИП с использованием пары BG-N
На Рис. 5 представлена эквивалентная схема выходного фильтра стандартного ИП, образованного парой C1 и C2 встречно включенных электролитических неполярных конденсаторов BG-N. Символ e обозначает источник питания. Символ ZL обозначает нагрузку, которая должна быть подключена между выходными клеммами ИП. Эквивалентная схема электролитического конденсатора C1 представлена последовательно соединенными; емкостью Cn1, эквивалентным последовательным сопротивлением Rs1 и очень маленькой индуктивностью L1. Индуктивность L1 в основном обусловлена тем, что рулон (т.е. по сути катушка) из пары фольговых электродов конденсатора создает магнитный поток m1 в направлении, показанном пунктирной стрелкой. Поскольку электролитические конденсаторы С1 и С2 имеют одинаковую емкость и строение, значение L1 равно значению L2, которая также создает магнитный поток m2, имеющий то же значение, что и m1, но в направлении, которое противоположно направлению магнитного потока m1 из-за встречного включения конденсаторов. Таким образом, магнитные потоки m1 и m2 на индуктивностях L1 и L2 соответственно, индуцируют переменные напряжения e1 и e2, имеющие противоположную полярность. Следовательно, напряжения e1 и e2 компенсируются друг другом, так что индуктивности L1 и L2 практически исчезают, т.е. разрушаются резонансные контуры L1 Cn1 и L2 Cn2. Остаются только емкости Cn1 и Cn2, а условия для внутреннего резонанса пропадают и вместе с ними шумовые составляющие, содержащиеся на выходе источника питания e.
Super-E-Caps
Простое встречное соединение двух одинаковых неполярных конденсаторов Black Gate (BG-N или BG-NX), привело к тому, что в результате значения импеданса и ESR стали безгранично уменьшаться с ростом частоты, как показано на Рис 6, вследствие чего впервые удалось полностью устранить пульсации и электромагнитные помехи в преобразователях постоянного тока и импульсных источниках питания.

Рис. 6. Сравнительные характеристики импеданса/ESR в зависимости от частоты
Эта конфигурация получила название «Super E-Caps» и считалась Jelmax за отдельный прибор, также называемый конденсатором. Спорное решение, продиктованное стремлением расширить список товарных позиций, т.е. скорее всего меркантильными соображениями, хотя по сути Super E-Caps это всего лишь вариант схемотехники. Но как бы то ни было разработанная Jelmax L-компенсированная пара неполярных Black Gate выпускалась серийно, как отдельная позиция, хотя никто не мешал сделать самодельный вариант. В этой конфигурации должны использоваться электролиты только неполярных серий, соединённые встречно-параллельно, вот по такому принципу: длинный вывод L (Long) одного конденсатора соединяется с коротким выводом S (Short) другого конденсатора:

Рис. 7. Способы создания конфигурации Super E-Cap из конденсаторов Black Gate
Возникает вопрос, раз конденсатор неполярный, то какая может быть разница в порядке соединения выводов. Дело в конструкции; длинный вывод соединен с условным началом рулона, а короткий соответственно с концом и это важно при создании конфигурации, чтобы намотка рулонов располагалась во взаимно противоположных направлениях.
На каком-то этапе предлагалась и конфигурация Super E-Cap для двухполярных ИП с заземлением нейтрали или средней точки (Рис. 7В), но эта сомнительная конструкция явно не пошла и в виде номенклатурных изделий производились только двухполюсные конфигурации (Рис. 7А и Рис. 8). Причем таковых выпускалось всего три номинала под названием Black Gate Super E-Caps Block:
Таблица 4. Номиналы Black Gate Super E-Caps Block
 

Рис. 8. Серийный промышленный Black Gate Super E-Caps Block в двухполюсной конфигурации
Кустарные Black Gate Super E-Caps Block в конфигурации с заземлением нейтрали нескольких возможных номиналов также активно предлагались на рынке (Рис. 9), но уже розничными продавцами продукции Jelmax.
 

Рис. 9. Кустарные Black Gate Super E-Caps Block в конфигурации с заземлением нейтрали
Как улучшается звучание при использовании Black Gate и Super-E-Caps
Для того, чтобы сделать нагляднее преимущества применения Black Gate и Super E-Cap для аудиофилов фирма Jelmax предоставляла следующую таблицу, где рассмотрена типовая схема вывода аналогового звукового сигнала, в настоящее время используемая, например, во многих имеющихся в продаже DVD плеерах или аналогичных устройствах. Улучшения показаны в виде следующих четырех шагов последовательной замены обычных конденсаторов на Black Gate и, затем на Super E-Cap.
Таблица 5. Этапы улучшения звучания с различными вариантами Black Gate

 
Резюме
Не каждый может выложить сотню долларов за конденсатор Black Gate и соответственно вдвое больше за Super E-Cap, но для настоящих аудиофилов нет пределов невозможного, тем более, что использование неполярных Black Gate и особенно Super E-Cap позволяет совершить настоящий прорыв в современных ЦАП, хотя и применение стандартных Black Gate в ламповых усилителях тоже весьма сильно способствует улучшению звука. А еще многие боятся подделок, особенно после заявления Квотрупа на своем сайте, что рынок наводнен контрафактными Black Gate. Полагаю, что это заявление бизнесмена Квотрупа было продиктовано скорее шкурными интересами по продвижению собственных «подделок под Black Gate» — конденсаторов Audio Note серии KAISEI, нежели заботой о потребителях. Лично я пока с поддельными Black Gate не встречался. Раз уж зашла речь, то надо заметить, что весьма симпатичные внешне конденсаторы Audio Note KAISEI предлагаемые за замену Black Gate, ни в коей мере не являются эквивалентом Black Gate по свойствам, а лишь только по стоимости. И вообще отсутствие даташитов на продукцию Audio Note на мой взгляд очень сильно подрывает доверие к ней. А оценивать конденсаторы «на слух» оставим совсем уж конченым аудиофилитикам в силу своей неоднозначности и невоспроизводимости.

10.png (297.84 КБ)
11_2.png (288.43 КБ)
11_1.png (415.17 КБ)
Страницы: 1
Ответить
Читают тему (гостей: 9)
Форма ответов
 
Текст сообщения*
Отправить Отменить
 
Картинка Картинка Тень